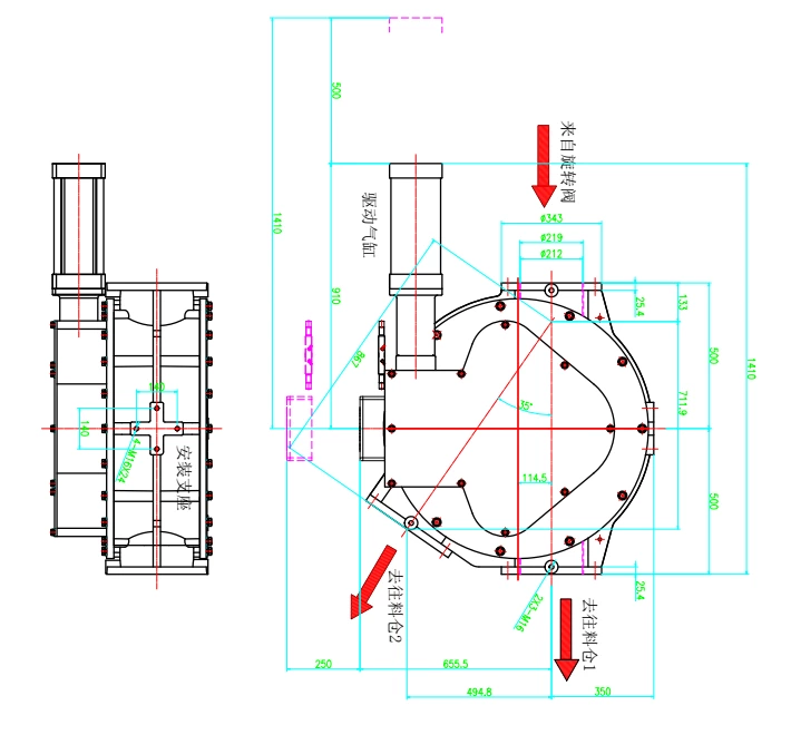
Sanitary Rotary Valve