Certificate

Rosh
Rosh
RoSH符合性宣言
RoSH符合性宣言
CE Stainless steel Valves
CE Stainless steel Valves
ISO 9001
ISO 9001
3A Sanitary Fittings
3A Sanitary Fittings
CE  Brewing Equipment
CE Brewing Equipment
ISO 9001 CH
ISO 9001 CH
Patent Certificate of Pneumatic Actuator with Signal Display
Patent Certificate of Pneumatic Actuator with Signal Display
FDA-SILICONE CN
FDA-SILICONE CN
FDA-FKM CN
FDA-FKM CN
FDA-PTFE CN
FDA-PTFE CN
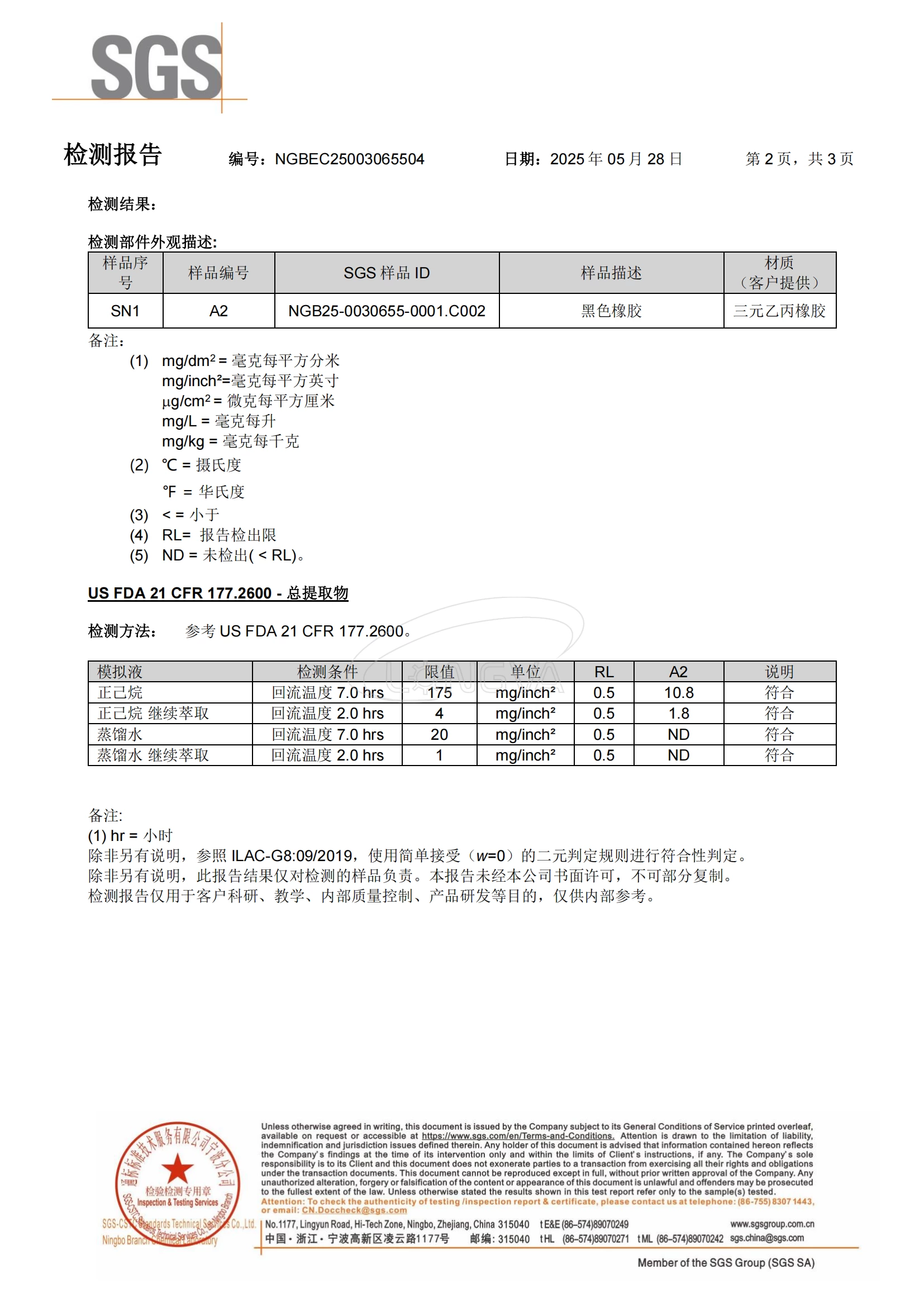
FDA-EPDM CN
FDA-EPDM CN
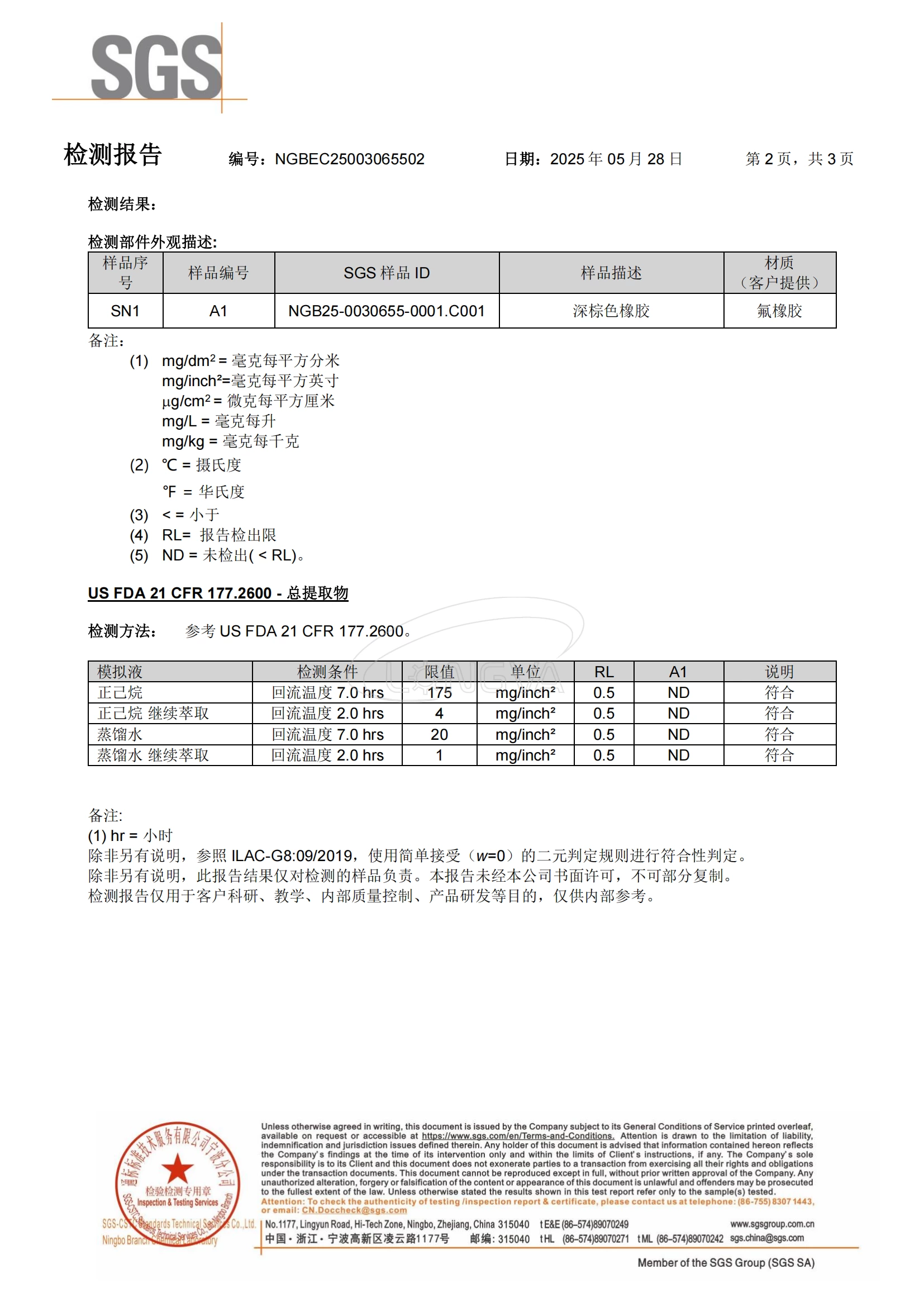
FDA-FKM
FDA-FKM
FDA-PTFE
FDA-PTFE
FDA-EPDM
FDA-EPDM
FDA-SILICONE
FDA-SILICONE