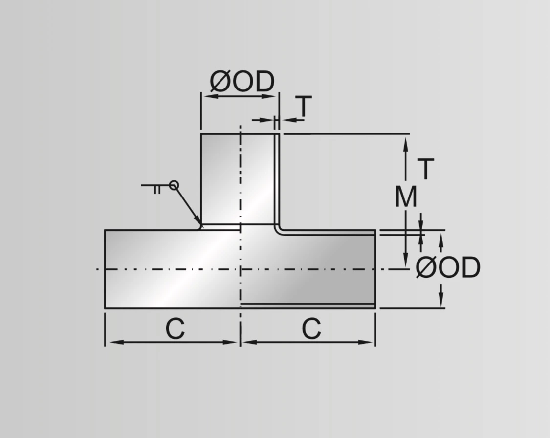
Specification Nominal size of tube Equal Tee OD C=M 1/4" 35 3/8" 37 1/2" 39 5/8" 49 3/4" 52 1" 55 1 1/4" 59 1 1/2" 74 2" 77 2 1/2" 90 3" 97 4" 110 5" 140 6" 160

Specification
| Nominal size of tube | Equal Tee |
| OD | C=M |
| 1/4" | 35 |
| 3/8" | 37 |
| 1/2" | 39 |
| 5/8" | 49 |
| 3/4" | 52 |
| 1" | 55 |
| 1 1/4" | 59 |
| 1 1/2" | 74 |
| 2" | 77 |
| 2 1/2" | 90 |
| 3" | 97 |
| 4" | 110 |
| 5" | 140 |
| 6" | 160 |